WNA-0422SKA
- Chiller Pumps
-
WNA-0422SKA
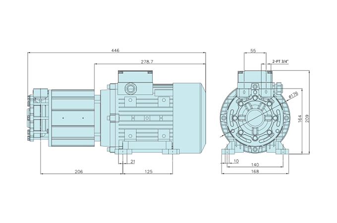
DIMENSION
PERFORMANCE CURVE
SPECIFICATIONS
| Type | Model | |
|---|---|---|
| WNA-0422SKA | ||
| Phases | ~ | 3〜 |
| 50Hz 1 Cycle |
1/min | 2800 |
| kW | 2.2 | |
| HP | 2.95 | |
| 60Hz 1 Cycle |
1/min | 3400 |
| kW | 2.2 | |
| HP | 2.95 | |
| Torque | Nm | 6 |
| Weight | kg | 24 |
| Water | Tmax | 140°C |
| Oil | 180°C | |
| Fluorinert | -60°C 〜 200°C | |
- 사용 분야
-
온도 조절
공구 몰드의 안정화
기계 및 시스템 냉각 및 생산 작업 개선
반도체 부문 냉각
- 특장점
-
가스 성분 운송에 적합
뚜렷한 성능 곡선
간결한 형태 요소에서 고압 사용
밀폐 설계 및 자기 연결로 인한 유지보수 불필요
역 기능 수행 가능
- 테스트 조건
-
성능 곡선은 표준 작동 속도에서 일관된 20℃ 온도의 물을 사용하여 측정됐습니다.
전체 압력과 부피에 대한 추정 변수는 ±10%이며 작동 허용 오차는 ±10%입니다.
펌프 매체의 속성 변경은 성능 곡선 변경을 의미합니다.
