WNA-0422SKA
- Chiller Pumps
-
WNA-0422SKA
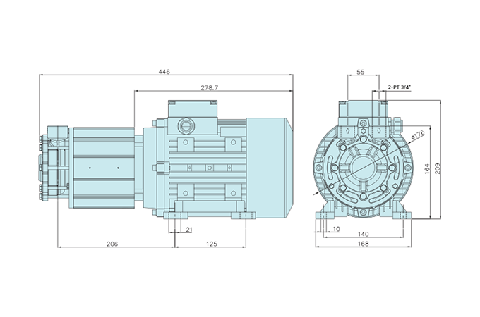
DIMENSION
PERFORMANCE CURVE
SPECIFICATIONS
| Type | Model | |
|---|---|---|
| WNA-0422SKA | ||
| Phases | ~ | 3〜 |
| 50Hz 1 Cycle |
1/min | 2800 |
| kW | 2.2 | |
| HP | 2.95 | |
| 60Hz 1 Cycle |
1/min | 3400 |
| kW | 2.2 | |
| HP | 2.95 | |
| Torque | Nm | 6 |
| Weight | kg | 24 |
| Water | Tmax | 140°C |
| Oil | 180°C | |
| Fluorinert | -60°C 〜 200°C | |
- Usage Areas
-
Temperature Regulation
Stabilization of tooling molds
Machine and system cooling as well as for production workflow
Semiconductor sector cooling
- Key Benefits
-
Compatible for gas component transportation
Pronounced performance curve
Elevated pressures in a streamlined form factor
Sealed design and no maintenance required due to magnetic link
Capability for reverse functioning
- Test Conditions
-
The performance curves relate to water distribution at a consistent 20°C temperature during the standard operating speed.
Estimated variance for both total pressure and volume stands at ± 10%; operational tolerance extends up to +10%.
Modifications in pump medium attributes will result in performance curve alterations.
