WNA-0340SKA
- Chiller Pumps
-
WNA-0340SKA
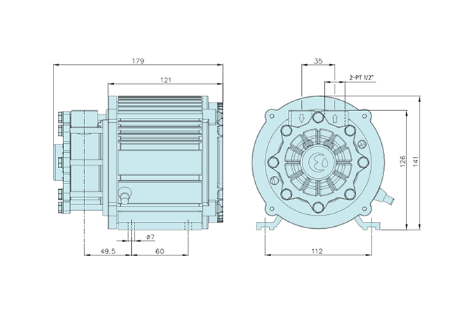
DIMENSION
PERFORMANCE CURVE
SPECIFICATIONS
| Type | Model | |||
|---|---|---|---|---|
| WNA-0340SKA | ||||
| Motor | ~ | 3~Mot | ||
| 1/min | 1000-4000 | |||
| kW | 1.1 | |||
| HP | 1.5 | |||
| Torque | Nm | 2.6 | ||
| Weight | kg | 7.3 | ||
| lbs | 16.1 | |||
| Water | Tmax | 120°C | ||
| Oil | 120°C | |||
| Fluorinert | -20°C 〜 120°C | |||
- Overview
-
Streamlined canned motor
Operates exclusively with a frequency inverter
Motor temperature regulated through the medium and cooling fins
Absence of vortex losses owing to insulating cans crafted from polymer materials
- Ultra-compact Motor with Superior Energy Efficiency
-
More compact than a concurrent performance asynchronous motor
Constant magnetic synchronous motor
Works in tandem with a frequency inverter, Speed variability from 1000 to 4000 RPM
Operational efficiency surpasses the IE4 benchmark (Note: IE metrics aren't typically assigned to synchronous motors)
- Performance Curves
-
The performance curves correspond to water distribution at a consistent 20°C, considering an external temperature of 20°C.
Within the depicted performance curves, any operational parameter can be adjusted to match the drive's parameterization.
Both total pressure and flow volume come with an estimated variance of ±10%, while energy consumption may exhibit an increase of up to +10%.
Variations in the medium's attributes and fluctuating surrounding temperatures can modify the performance graphs.
The energy consumption in kW denotes the electric energy uptake at the frequency inverter's starting point.
