WNA-0220RKA
- Mechanical Seal Pumps
-
WNA-0220RKA
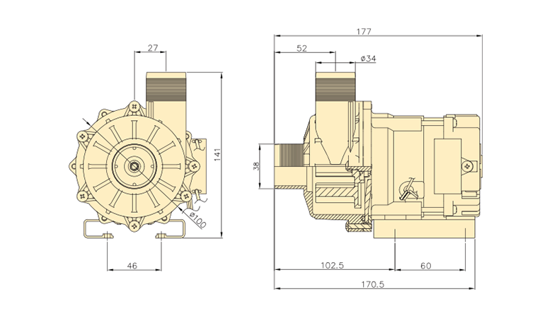
DIMENSION
PERFORMANCE CURVE
SPECIFICATIONS
| Item | Model | |||
|---|---|---|---|---|
| WNA-0220RKA | ||||
| Power Supply | AC 220V, 60Hz | |||
| Power Consumption [W], (at 20L/min) | 126 | |||
| Maximum Head [m] | 6.3 (20.7ft) | |||
| Maximum Capacity [L/min] | 39 (618GPH) | |||
| Rated Head [m], (at 20L/min) | 4.9 (16.1ft) | |||
| Water Temperature [°C] | 0-80 | |||
| Hose Connected | Inlet | Ø38 | ||
| Outlet | Ø34 | |||
| Dimension [mm] | 177x100x141 | |||
